東莞市貢福電子有限公司
電話:
傳真:
地址:東莞市寮步鳧山星銳工業園B棟3樓
呂先生:
小呂:
陳先生:
江小姐:
E-mail:
E-mail:
E-mail:
E-mail:jsr@gfefuse.cn
產品展示當前位置:首頁 > 產品展示
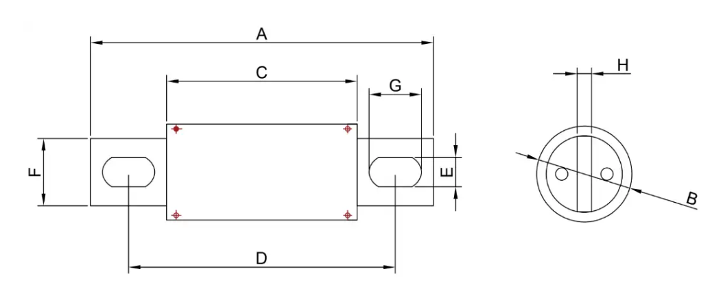
| S. | Current | A±1.5 | B±1 | C±1 | D±1.5 | E±0.5 | F±0.5 | H±1 | G±0.5 |
| 20R | 35-60A | 81 | 20 | 40 | 60.5 | 8.5 | 15 | 3 | 13 |
| 26R | 70-150A | 92 | 26 | 44 | 68.5 | 8.5 | 20 | 3 | 13 |
| 31R | 125-250A | 92 | 31 | 46 | 72.5 | 8.5 | 25 | 6 | 12.5 |
| 38R | 225-450A | 110 | 38 | 53 | 81.5 | 10.5 | 25 | 6 | 20 |
| 51R | 450-800A | 110 | 51 | 53 | 81.5 | 10.5 | 40 | 6 | 20 |
| Rated Current | Catalog no. | Average @50KA/500Vdc | Power Loss W | Approvals | ||
| Melting A²S | Clearing A²S | ROHS | ||||
| 20 mm diameter case | ||||||
| 35 | 35A | GFEVF500-35A-20R | 49 | 509 | 8 | ● |
| 40 | 40A | GFEVF500-40A-20R | 111 | 1085 | 8 | ● |
| 50 | 50A | GFEVF500-50A-20R | 231 | 2624 | 10 | ● |
| 60 | 60A | GFEVF500-60A-20R | 305 | 3053 | 12 | ● |
| 26 mm diameter case | ||||||
| 70 | 70A | GFEVF500-70A-26R | 392 | 2194 | 14 | ● |
| 80 | 80A | GFEVF500-80A-26R | 571 | 3413 | 16 | ● |
| 90 | 90A | GFEVF500-90A-26R | 673 | 3901 | 16 | ● |
| 100 | 100A | GFEVF500-100A-26R | 889 | 4876 | 20 | ● |
| 125 | 125A | GFEVF500-125A-26R | 1764 | 10051 | 25 | ● |
| 150 | 150A | GFEVF500-150A-26R | 2412 | 12075 | 28 | ● |
| 31 mm diameter case | ||||||
| 125 | 125A | GFEVF500-125A-31R | 1498 | 6122 | 22 | ● |
| 150 | 150A | GFEVF500-150A-31R | 2059 | 8045 | 26 | ● |
| 175 | 175A | GFEVF500-175A-31R | 2714 | 10844 | 34 | ● |
| 200 | 200A | GFEVF500-200A-31R | 4050 | 14867 | 40 | ● |
| 225 | 225A | GFEVF500-225A-31R | 8650 | 33908 | 45 | ● |
| 250 | 250A | GFEVF500-250A-31R | 9094 | 51610 | 52 | ● |
| 38 mm diameter case | ||||||
| 225 | 225A | GFEVF500-225A-38R | 5549 | 30873 | 42 | ● |
| 250 | 250A | GFEVF500-250A-38R | 7862 | 44372 | 48 | ● |
| 275 | 275A | GFEVF500-275A-38R | 9859 | 55533 | 54 | ● |
| 300 | 300A | GFEVF500-300A-38R | 12230 | 68624 | 58 | ● |
| 325 | 325A | GFEVF500-325A-38R | 17098 | 87916 | 60 | ● |
| 350 | 350A | GFEVF500-350A-38R | 18096 | 100456 | 65 | ● |
| 400 | 400A | GFEVF500-400A-38R | 23962 | 133253 | 70 | ● |
| 450 | 450A | GFEVF500-450A-38R | 33000 | 189670 | 78 | ● |
| 51 mm diameter case | ||||||
| 450 | 450A | GFEVF500-450A-51R | 25688 | 134620 | 70 | ● |
| 500 | 500A | GFEVF500-500A-51R | 42515 | 205322 | 88 | ● |
| 550 | 550A | GFEVF500-550A-51R | 53450 | 249650 | 95 | ● |
| 600 | 600A | GFEVF500-600A-51R | 60133 | 283868 | 110 | ● |
| 630 | 630A | GFEVF500-630A-51R | 73815 | 319280 | 120 | ● |
| 700 | 700A | GFEVF500-700A-51R | 145880 | 515450 | 135 | ● |
| 800 | 800A | GFEVF500-800A-51R | 161840 | 565500 | 150 | ● |

中文
EN
全國銷售與服務熱線