東莞市貢福電子有限公司
電話:
傳真:
地址:東莞市寮步鳧山星銳工業園B棟3樓
呂先生:
小呂:
陳先生:
江小姐:
E-mail:
E-mail:
E-mail:
E-mail:jsr@gfefuse.cn
產品展示當前位置:首頁 > 產品展示
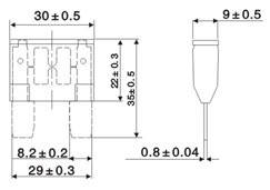
電氣特性
|
測試電流Testing current |
熔斷時間 Blow Time 小/大 Min/Max(s) |
||||||
|
20A |
30A |
40A |
50A |
60A |
70A |
80A |
|
|
135% |
1800/60 |
1800/60 |
1800/60 |
1800/60 |
1800/60 |
1800/60 |
1800/60 |
|
200% |
20/4 |
30/6 |
40/8 |
50/10 |
60/15 |
60/4 |
60/4 |
|
300% |
2/0.7 |
4/1 |
5/1.4 |
6/1.7 |
7/2 |
2/0.2 |
2/0.2 |
|
|
|||||||
參考資料
|
號Type |
額定電流Current Rating |
額定電壓VoltageRating |
顏色標準Colour |
冷電阻mΩ |
小熔化熱能I²t(A²Sec) |
|
|
A20 |
20 |
32 |
Yellow 黃 |
3.1 |
1100 |
|
|
A30 |
30 |
32 |
Green 綠 |
2 |
4070 |
|
|
A40 |
40 |
32 |
Amber 琥珀 |
1.4 |
8450 |
|
|
A50 |
50 |
32 |
Red 紅 |
1.1 |
11300 |
|
|
A60 |
60 |
32 |
Blue 藍 |
0.89 |
15300 |
|
|
A70 |
70 |
32 |
Tan 褐 |
0.69 |
6900 |
|
|
A80 |
80 |
32 |
Purple 紫 |
0.59 |
8800 |
|